Beschreibung des Moduls
CAD - Variante - Holzbau - Kopfbänder

Variantenkonstruktionen ermöglichen die automatisierte Erstellung von Detailzeichnungen. Sie sind meist für DIN-A4-Formate optimiert und können die Genehmigungsstatik ergänzen oder als Teil der Ausführungsplanung, z. B. mit smartCADIng, weiterbearbeitet werden. Dies ist per Copy & Paste über die Zwischenablage möglich.
Die Variante Kopfbänder erstellt Zeichnungen von ein- und zweiseitigen Kopfband-Anschlüssen. Die Anschlüsse an Pfette und Stiel erfolgen als Stirnversatz mit Sicherung durch Bolzen.
Grunddaten, Querschnitte:
Bei den Kopfbändern sind detailübergreifend die Grunddaten und Querschnitte einzugeben. Die hier gemachten Angaben werden mit jedem Verlassen des Moduls gespeichert, um eine unnötig wiederholte Eingabe zu verhindern.
Es stehen drei Grundtypen zur Auswahl: Kopfband beidseitig, links oder rechts.
Das Programm wurde für Kopfbandneigungen zwischen 35° und 55° konzipiert, bei anderen Neigungen
kann es zu konstruktiven Problemen, im Bereich der Bolzen-Kerven kommen.
Systemeingabe:
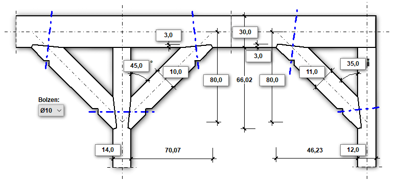
Die detailspezifischen Angaben und Maße erfolgen direkt in einer unmaßstäblichen Systemskizze.

Um größtmögliche Flexibilität zu gewährleisten, werden keine weiteren geometrischen Plausibilitätskontrollen durchgeführt. Ob die Ausgabe sinnvoll ist, entscheidet somit allein der Anwender mit seinen Eingaben.

Kontrollgrafik:
Unmittelbar neben der Systemeingabe und der Auswahl der Profile befindet sich die Kontrollgrafik, die kontinuierlich aktualisiert wird. Sie enthält nicht alle Angaben, die letztlich im Ausdruck ausgegeben werden.
Um eine endgültige Überprüfung der Zeichnung vorzunehmen, muss der Druck-Button geklickt werden. Hier wird dann eine Druckvorschau generiert, welche die endgültige Zeichnung zeigt. Über >Abbrechen< können dann wieder Anpassungen vorgenommen werden oder die Zeichnung kann in eine PDF-Datei gedruckt werden. Über die Zwischenablage kann auch direkt eine Weiterbearbeitung mit smartCADIng erfolgen.
Ausgabeoptionen:
Für die Darstellung der Zeichnung können verschiedenste Einstellungen vorgenommen werden. Linienstärken, Beschriftungen etc. werden automatisch gespeichert und so als Standardeinstellung für weitere Zeichnungen verwendet.


![]()
![]()
![]()
Weitere Screenshots: Bild klicken.


![]() |
Beispielausdruck-1 (beidseitig) |
![]() |
Beispielausdruck-2 (einseitig) |


Das Programm
2D CAD Variantenkonstruktion - Holzbau - Kopfbänder wird regelmäßig weiterentwickelt. Folgende Tabelle zeigt den aktuellen Entwicklungsstand:
25/03.1
Das Programm wurde neu entwickelt und in das Gesamtpaket integriert.

Änderungen / Erweiterungen vor 2010 werden hier nicht aufgelistet. Für Informationen über Versionen 09/11.1 und älter klicken Sie bitte hier.





